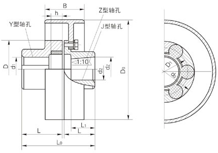
产品介绍产品图纸
MLL-Ⅰ型分体式制动轮梅花形弹性联轴器主要技术参数
型号
许用转矩MP/(N·m)
许用转速mp/(r·min)
轴孔直径
d1/mm, d2/mm, d3/mm
轴孔长度
L0
mm
D0
mm
B
mm
D
mm
D1
mm
d0
mm
h
mm
转动惯量
kg·m2
质量
kg
许用位移
弹性件硬度HA
Y型
J、Z型
≥75
≥85
≥94
L
mm
L1
mm
径向
mm
轴向
mm
角向
MLL4-Ⅰ-160
140
250
400
4750
25,28
62
44
151
160
70
105
72
100
20
2.0
8.5
0.8
2.5
2°00`
30,32,35,38
82
60
191
40,42
112
84
251
MLL4-Ⅰ-200
3800
25,28
62
44
151
200
85
3.8
9.5
30,32,35,38
82
60
191
40,42
112
84
251
MLL5-Ⅰ-200
250
400
800
3800
30,32,35,38
82
60
197
200
85
125
90
122
25
5.75
13.8
1.0
3.0
1°30`
40,42,45,48
112
84
257
MLL6-Ⅰ-200
400
630
1120
3800
35,38
82
60
203
200
85
145
104
140
30
6.70
16.7
40,42,45,48,50,55
112
84
263
MLL6-Ⅰ-250
3050
35,38
82
60
203
250
105
13.50
21.7
40,42,45,48,20,55
112
84
263
MLL7-Ⅰ-250
710
1120
2240
3050
45,48,50,55
112
84
265
250
105
170
130
166
30
15.25
26.3
3.5
60,63,55
142
107
325
MLL7-Ⅰ-315
710
1120
2240
2400
45,48,50,55
112
84
265
315
135
170
35.0
34.7
60,63,65,70,71,75
142
107
325
MLL8-Ⅰ-315
1120
1800
3550
2400
50,55
112
84
272
315
135
200
156
196
35
45.9
47.3
1.5
4.0
60,63,65,70,71,75
142
107
332
MLL8-Ⅰ-400
1900
50,55
112
84
272
400
170
98.0
61.3
60,63,65,70,71,75
142
107
332
MLL9-Ⅰ-400
1800
2800
5600
1900
60,63,65,70,71,75
142
107
334
400
170
230
180
225
35
132.5
84
4.5
1°00`
80,85,90,95
172
132
394
MLL9-Ⅰ-500
1800
2800
5600
1500
60,63,65,70,72,75
142
107
334
500
210
230
270
108
80,85,90,95
172
132
394
MLL10-Ⅰ-500
2800
4500
9000
1500
70,71,75
142
107
344
500
210
260
205
255
45
330
132
5.0
80,85,90,95
172
132
394
100,110
212
167
484
MLL11-Ⅰ-630
4000
6300
12500
1200
80,85,90,95
172
132
411
630
265
300
245
295
50
782
197
1.8
100,110
212
167
484
MLL12-Ⅰ-710
7100
11200
20000
1050
90,95
172
132
417
710
300
360
300
356
55
1069
212
100,110,120,125
212
167
497
130
252
202
577
MLL13-Ⅰ-800
8000
12500
25000
950
100,110,120,125
212
167
497
800
340
400
335
391
55
1920
294
MLL-Ⅰ型分体式制动轮梅花形弹性联轴器主要技术参数
型号
许用转矩MP/(N·m)
许用转速mp/(r·min)
轴孔直径
d1/mm, d2/mm, d3/mm
轴孔长度
L0
mm
D0
mm
B
mm
D
mm
D1
mm
d0
mm
h
mm
转动惯量
kg·m2
质量
kg
许用位移
弹性件硬度HA
Y型
J、Z型
≥75
≥85
≥94
L
mm
L1
mm
径向
mm
轴向
mm
角向
MLL4-Ⅰ-160
140
250
400
4750
25,28
62
44
151
160
70
105
72
100
20
2.0
8.5
0.8
2.5
2°00`
30,32,35,38
82
60
191
40,42
112
84
251
MLL4-Ⅰ-200
3800
25,28
62
44
151
200
85
3.8
9.5
30,32,35,38
82
60
191
40,42
112
84
251
MLL5-Ⅰ-200
250
400
800
3800
30,32,35,38
82
60
197
200
85
125
90
122
25
5.75
13.8
1.0
3.0
1°30`
40,42,45,48
112
84
257
MLL6-Ⅰ-200
400
630
1120
3800
35,38
82
60
203
200
85
145
104
140
30
6.70
16.7
40,42,45,48,50,55
112
84
263
MLL6-Ⅰ-250
3050
35,38
82
60
203
250
105
13.50
21.7
40,42,45,48,20,55
112
84
263
MLL7-Ⅰ-250
710
1120
2240
3050
45,48,50,55
112
84
265
250
105
170
130
166
30
15.25
26.3
3.5
60,63,55
142
107
325
MLL7-Ⅰ-315
710
1120
2240
2400
45,48,50,55
112
84
265
315
135
170
35.0
34.7
60,63,65,70,71,75
142
107
325
MLL8-Ⅰ-315
1120
1800
3550
2400
50,55
112
84
272
315
135
200
156
196
35
45.9
47.3
1.5
4.0
60,63,65,70,71,75
142
107
332
MLL8-Ⅰ-400
1900
50,55
112
84
272
400
170
98.0
61.3
60,63,65,70,71,75
142
107
332
MLL9-Ⅰ-400
1800
2800
5600
1900
60,63,65,70,71,75
142
107
334
400
170
230
180
225
35
132.5
84
4.5
1°00`
80,85,90,95
172
132
394
MLL9-Ⅰ-500
1800
2800
5600
1500
60,63,65,70,72,75
142
107
334
500
210
230
270
108
80,85,90,95
172
132
394
MLL10-Ⅰ-500
2800
4500
9000
1500
70,71,75
142
107
344
500
210
260
205
255
45
330
132
5.0
80,85,90,95
172
132
394
100,110
212
167
484
MLL11-Ⅰ-630
4000
6300
12500
1200
80,85,90,95
172
132
411
630
265
300
245
295
50
782
197
1.8
100,110
212
167
484
MLL12-Ⅰ-710
7100
11200
20000
1050
90,95
172
132
417
710
300
360
300
356
55
1069
212
100,110,120,125
212
167
497
130
252
202
577
MLL13-Ⅰ-800
8000
12500
25000
950
100,110,120,125
212
167
497
800
340
400
335
391
55
1920
294
|
MLL-Ⅰ型分体式制动轮梅花形弹性联轴器主要技术参数 |
||||||||||||||||||||||||||||||||||||||||||||||||||||||||||||||||||||||||||||||||||||||||||||||||||||||||||||||||||||||||||||||||||||||||||||||||||||||||||||||||||||||||||||||||||||||||||||||||||||||||||||||||||||||||||||||||||||||||||||||||||||||||||||||||||||||||||||||||||||||||||||||||||||||||||||||||||||||||||||||||||||||||||||||||||||||||||
|
||||||||||||||||||||||||||||||||||||||||||||||||||||||||||||||||||||||||||||||||||||||||||||||||||||||||||||||||||||||||||||||||||||||||||||||||||||||||||||||||||||||||||||||||||||||||||||||||||||||||||||||||||||||||||||||||||||||||||||||||||||||||||||||||||||||||||||||||||||||||||||||||||||||||||||||||||||||||||||||||||||||||||||||||||||||||||
|
MLL-Ⅰ型分体式制动轮梅花形弹性联轴器主要技术参数 |
||||||||||||||||||||||||||||||||||||||||||||||||||||||||||||||||||||||||||||||||||||||||||||||||||||||||||||||||||||||||||||||||||||||||||||||||||||||||||||||||||||||||||||||||||||||||||||||||||||||||||||||||||||||||||||||||||||||||||||||||||||||||||||||||||||||||||||||||||||||||||||||||||||||||||||||||||||||||||||||||||||||||||||||||||||||||||
|
||||||||||||||||||||||||||||||||||||||||||||||||||||||||||||||||||||||||||||||||||||||||||||||||||||||||||||||||||||||||||||||||||||||||||||||||||||||||||||||||||||||||||||||||||||||||||||||||||||||||||||||||||||||||||||||||||||||||||||||||||||||||||||||||||||||||||||||||||||||||||||||||||||||||||||||||||||||||||||||||||||||||||||||||||||||||||


